Airstage (VRF Systems) Indoor Unit Floor / Ceiling
- Download :
-
Catalog
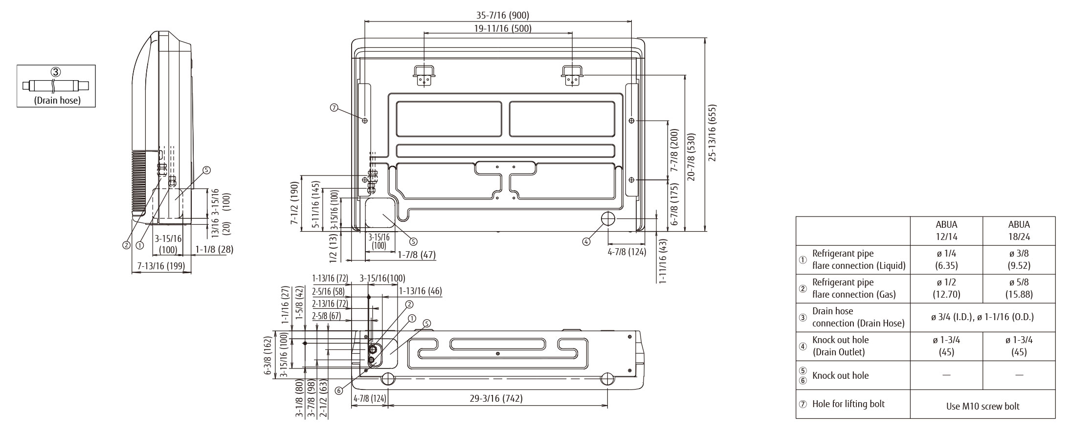
Model
| 208/230V Single-Phase | |
|---|---|
| ABUA12TLAV /TLAV2 | |
| ABUA14RLAV / TLAV / TLAV2 | |
| ABUA18RLAV / TLAV / TLAV2 | |
| ABUA24TLAV / TLAV2 | |
- Note :
- Specifications are based on the following conditions.
Built-in protective functions may limit capacity or shut off unit if unit is operated outside of unit design operating temperature ranges. - Cooling :
- Indoor temperature of 80°F(26.7°C)DB/67°F(19.4°C)WB,and outdoor temperature of 95.0°F(35°C)DB/75°F(23.9°C)WB.
- Heating :
- Indoor temperature of 70°F(21.1°C)DB/60°F(15.6°C)WB,and outdoor temperature of 47°F(8.3°C)DB/43°F(6.1°C)WB.
- Pipe length :
- 25ft.(7.5 m), Height difference : 0ft.(0 m) (Outdoor unit - Indoor unit).
Dimensions
Feature
Flexible installation
Example for floor installation
Floor console
Example for ceiling installation
Under ceiling
Double auto swing
A combination of up/down and right/left directional swing allows three-dimensional air direction control.
RIGHT and LEFT SWING
UP and DOWN SWING
4 steps selectable
High power DC fan motor
- High power
- Wide rotation range
- High efficiency
Compact design
Symmetrical, slim and compact design.
Auto-closing louver
Symmetrical, slim and compact design.
Super vane
Double Louver Super vane with newly developed special configuration boosts airflow, sending cool air quickly to every corner of the room.
